Бивалентный бойлер Buderus Logalux SM1000.5 для гелиосистем
Бивалентные баки-водонагреватели Logalux SM200/5, SM300/5, SM400/5E, SM500.5E-C, SM750.5E-C, SM1000.5E-C обеспечивают горячее водоснабжение при работе с солнечными гелиосистемами. Поставляются в вертикальном исполнении и с двумя теплообменниками.
Бивалентные бойлеры косвенного нагрева Buderus Logalux SM

Компания Будерус – производитель современного отопительного оборудования для нагрева горячей воды. Мы предлагаем бойлеры Buderus Logalux SM для гелиосистем в различных исполнениях для всех областей применения. Этот сертифицированный бак-водонагреватель заказать можно только у официального представителя – компании Київгазприлад.
Бивалентные баки Logalux SM200/5, SM300/5, SM400/5E, SM500.5E-C, SM750.5E-C, SM1000.5E-C – бойлеры, принцип действия которых основан на применении двух гладкотрубных теплообменников. Используются для приготовления воды для ГВС (горячего водоснабжения). Поставляются в шести сертифицированных типоразмерах 200, 300, 400, 500, 750 и 1000 литров. Баки имеют вертикальную форму и предназначены для установки на пол.
Купить баки-накопители Buderus Logalux SM Вы можете, оформив заказ через наш сайт, а также по телефону горячей линии ✆ (044)355-00-99.
Баки для солнечных коллекторов Logalux SM могут поставляться в двух цветах – белом и синем. Небольшие габаритные размеры и вес облегчают транспортировку и установку. Несложный монтаж и обслуживание. Отличное соотношение цена-качество.
Вы можете обратиться в нашу службу поддержки. Опытные консультанты грамотно осведомят Вас всей интересующей информацией. Исходя из изложенных эксплуатационных требований, Вам предложат бак-водонагреватель, цена и технические характеристики которого будут наиболее оптимальными.
Преимущества бивалентных водонагревателей Buderus Logalux SM
- Покрытие термоглазурью Duoclean MKT и применение магниевого анода препятствуют процессу коррозии и появлению накипи.
- Большие люки обеспечивают удобство техобслуживания и чистки при сервисном обслуживании баков-нагревателей.
- Теплоизоляционный слой толщиной 50/65/85 мм, состоящий из не содержащего фторхлоруглеводородов пенополиуретана, обеспечивает низкие теплопотери при отсутствии водоразбора.
- Объем для дополнительного нагрева.
- Напольный бак имеет регулируемую высоту опор.
- Возможность установки электро ТЭНа.

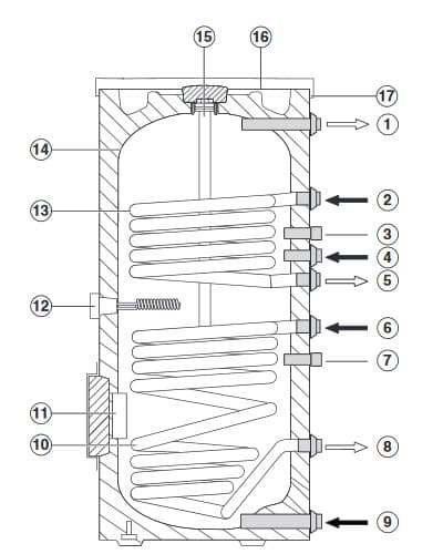
Конструкция Logalux SM200/5, SM300/5, SM400/5E
- Выход горячей воды
- Подающая линия бака
- Гильза для датчика температуры воды, нагреваемой от котла
- Подключение циркуляции
- Обратная линия бака
- Подающая линия солнечного коллектора
- Гильза для датчика температуры воды, нагреваемой от солнечного коллектора
- Обратная линия солнечного коллектора
- Вход холодной воды
- Нижний теплообменник для нагрева от солнечного коллектора, эмалированная гладкая труба
- Люк для техобслуживания и чистки
- Баки SM290/5E и SM400/5E с муфтой Rp 1 Ѕ" для установки электронагревательного элемента
- Верхний теплообменник для дополнительного нагрева от котла, эмалированная гладкая труба
- Бак, эмалированная сталь
- Электрически изолированный встроенный магниевый анод
- Полистироловая крышка
- Облицовка, окрашенный стальной лист с теплоизоляцией из твёрдого полиуретанового пенопласта толщиной 50 мм

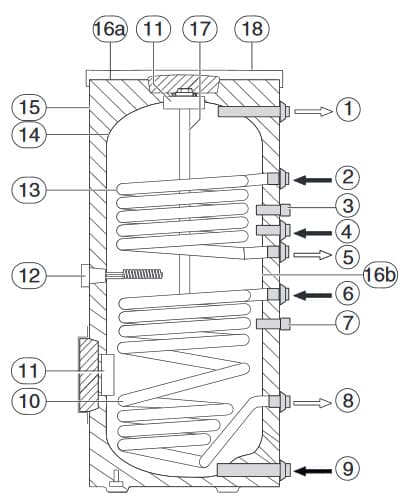
Конструкция Logalux SM500.5E-C, SM750.5E-C, SM1000.5E-C
- Выход горячей воды
- Подающая линия бака-водонагревателя
- Погружная гильза для датчика температуры воды, нагреваемой от теплогенератора
- Подключение циркуляции
- Обратная линия бака-водонагревателя
- Подающая линия солнечного коллектора
- Погружная гильза для датчика температуры воды, нагреваемой от солнечного коллектора
- Обратная линия солнечного коллектора
- Вход холодной воды
- Теплообменник для нагрева от солнечного коллектора, эмалированная гладкая труба
- Люк для техобслуживания и чистки
- Муфта Rp 1 ½ для установки электронагревательного
- Теплообменник для дополнительного нагрева от теплогенератора, эмалированная гладкая труба
- Бак, эмалированная сталь
- Теплоизоляция
- Заводская табличка, 500 л (a) Заводская табличка, 750/1000 л (b)
- Электрически изолированный, встроенный магниевый анод
- Полистирольная крышка
Установка, монтаж, сервис, доставка Logalux SM
Компания Київгазприлад производит сервис, пусконаладку и монтаж бивалентных водонагревателей Buderus Logalux SM200/5, SM300/5, SM400/5E, SM500.5E-C, SM750.5E-C, SM1000.5E-C, а также установку оборудования горячего водоснабжения дома, коттеджа в Киеве, Киевской области и других городах Украины.
Купить бойлер для солнечных коллекторов Buderus Logalux SM по доступной цене Вы можете связавшись с нашим call-центром по телефону ✆ (044)355-00-99, а также посредством заказа через сайт.
Подробнее
