Котел конденсационный газовый Buderus Logamax plus GB172i 35
Конденсационные газовые котлы Buderus Logamax plus GB172i 35 кВт
Настенный конденсационный котел Buderus Logamax plus GB172i 35 кВт - это новое поколение настенных конденсационных газовых котлов с принципиальная новым дизайном, чрезвычайно висок эффективностью и низким уровнем потребления энергии.
Заказать доставку котла Logamax plus GB172i 35 кВт по телефону.

Гибкость при выборе места установки
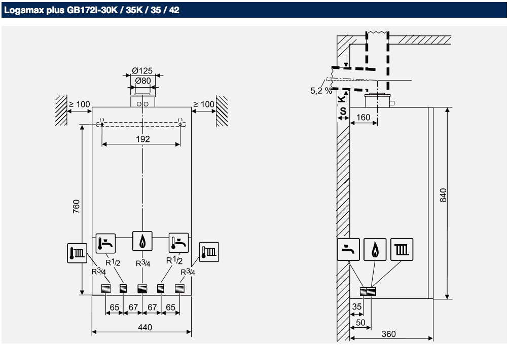
Благодаря компактным размерам и разнообразию систем дымоотведения.
Полная заводская комплектация
С циркуляционным насосом, предохранительным клапаном, манометром, краном для наполнения и сливным краном, трехходовым переключающим клапаном для приготовления горячей воды и расширительным баком.
Базовый контроллер BC25
С простым подключением для быстрой установки. Настройка рабочих параметров за считанные минуты.
Самый экономичный котел в своем классе!
Buderus Logamax plus GB172 представлен в четырех типоразмерах от 3,75 до 42 кВт и модуляцией мощности 1:8, что обеспечивает невероятную энергоэффективность и инновационную технологию сохранения энергии как для частных домов, так и для многоэтажных жилых зданий.
Горячая вода для для любых нужд
Одноконтурная версия Logamax plus GB172 мощностью 14, 24, 35 и 42 кВт обеспечивает эффективность и мощность горячего водоснабжения для бытовых нужд при применении с баком косвенного нагрева или использовании с гелиосистемой. А двухконтурная модель Logamax plus GB172 мощностью 14, 20, 30 и 35 кВт представляет собой универсальное надежное решение. Котел Logamax GB172i 35 кВт также может быть дополнен современной системой управления Logamatic RC300, что позволяет воспользоваться всеми преимуществами потенциала энергосбережения и повысить энергоэффективность оборудования к классу А +++.


Дистанционное управление через интернет
Установив дополнительный модуль Logamatic web КМ200 и специальную программу Buderus EasyControl, можно легко руководить системой отопления из смартфона или из планшету независимо от расстояния к помещению, в котором находится Logamax plus GB172i 35 кВт.
Бесплатное приложение HomeCom предлагает вам ориентированное на будущее решение для управления вашей системой отопления онлайн. Этот сайт портала предоставляет вам безопасный и надежный доступ к вашей системе отопления через ваш смартфон, планшет или компьютер в любое время.
И это еще не все. Control Center Connect также помогает экономить энергию в доме и рядом с ним. Он иллюстрирует ваше энергопотребление с помощью диаграмм и предлагает советы по дальнейшему снижению этого.С вашего разрешения приложение также позволяет вашему установщику контролировать вашу систему и, таким образом, предлагать вам еще лучшую поддержку.
Основные преимущества Logamax Plus GB172i 35 кВт
1. Расширительный бак
Объемом 12 л может быть легко установлен даже для больших систем отопления.
2. Вентилятор
Вентилятор предварительного смешивания: энергосберегающий вентилятор обеспечивает высокую производительность, являясь при этом чрезвычайно тихим и эффективным.
3. Теплообменник WB5
Надежный теплообменник из алюминий-кремниевого сплава обеспечивает мощность до 42 кВт. Съемная панель на лицевой стороне крепится с помощью двух винтов, позволяет быстрый и простой доступ для обслуживания.
4. Расходомерный клапан
Быстрая, надежная и уверенная работа — новая запатентованная технология позволяет легко переключаться между различными типами газа.
5. Контроллеры Logamatic BC25
Проверенные и испытанные контроллеры обеспечивают все необходимое для большинства систем.
6. Энергоэффективный насос Grundfos
Обеспечивает соответствие требованиям стандарта ErP.
7. Система управления Logamatic RC310
Интегрируется одним кликом и сразу обеспечивает максимальную функциональность системы.


Надежность и качество
Конденсационный котел Logamax plus GB 172 i от производителя Buderus является идеальным решением благодаря тому, что значительное внимание уделяется деталям. Приобретая максимальную пользу от каждого отдельного компонента, котел достигает наилучшего возможного результата. От высокоэффективной конденсационной технологии до системы управления Logamatic RC310 высокотехнологичные компоненты обеспечивают непревзойденное качество и длительный срок службы котла Buderus Logamax plus GB172i 35 кВт.
Интеллектуальный дизайн Buderus GB 172 i снаружи и внутри
Titanium Glas
Дизайн котла Buderus Logamax plus GB172i 35 кВт сочетает свойства устойчивого к царапинам и легкого для очистки титанового стекла Buderus Titanium Glas, что делает его звездой технологического и визуального исполнения. Высокопрочное стекло в черном или белом исполнении станет прекрасным дополнением любого интерьера.
Возможность расширения и дополнительного оснащения
Оптимизация системы благодаря компонентам с возможностью расширения в любое время — уровень удобства, на который Вы можете рассчитывать, пользуясь продуктами Buderus: большой расширительный бак 12 л, система управления Logamatic EMS plus и любое количество теплогенераторов в одной отопительной системе. С системой управления Logamatic RC300 отопительную систему можно дополнить дополнительными возможностями, а с устройством Logamatic web KM200 оборудование можно подключить к сети интернет для получения в режиме реального времени информации о параметрах и состоянии работы отопительной системы.
Монтаж, введение в эксплуатацию, техническое обслуживание Buderus Logamax plus GB172i 35 кВт
ТОВ НВО "Київгазприлад" - оказывает весь спектр услуг по проектированию, установки и сервисному обслуживанию газовых котлов Buderus Logamax plus GB172i 35 кВт.
Наша компания имеет собственный сервисный центр с высококвалифицированными сертифицированными мастерами и на складе всегда есть в наличии запчасти в необходимом количестве для гарантийной и после гарантийной поддержки оборудования.
Заказать доставку и установку Logamax plus GB172i 35 кВт

| КОД | Мощность котла кВт | Тип ГВС | Доступность | Цена | ||
|---|---|---|---|---|---|---|
|
|
Предзаказ
|
66248 грн. | ||||
|
|
7736900349
|
В наличии
|
109928 грн. | |||
|
|
7736901140
|
В наличии
|
72540 грн. | |||
|
|
7736900348
|
В наличии
|
100152 грн. | |||
|
|
7736901142
|
В наличии
|
70096 грн. | |||
|
|
7736900346
|
В наличии
|
102180 грн. | |||
|
|
7736900347
|
В наличии
|
105300 грн. | |||
|
|
7736901144
|
В наличии
|
76596 грн. |

